20 898 ₴
18 390,24 ₴
Ємнісний електричний водонагрівач Титан виготовляється потужністю 6 кВт ємністю 100 л. Працює в автоматичному режимі, включаючи заповнення бака водою. Автоматика забезпечує захист від закипання води та підтримку постійної температури води в баці, рівній заданій. Температура води встановлюється терморегулятором в діапазоні від 0 до 75 °C. Товщина стінки ємності водонагрівача становить не менше 2 мм, виготовлена з вуглецевої сталі. Водонагрівачі розраховані на робочий тиск 6 барів.
Базова модель водонагрівача містить:
• індикатор температури;
• терморегулятор;
• термообмежувач;
• зворотно-запобіжний клапан.
Додаткові опції:
• пристрій захисного відключення (захист від дотику до оголених струмопровідних частин, а також від витоку струму);
• добовий програматор (дозволяє забезпечувати роботу водонагрівача у найбільш економічно вигідному для споживача діапазоні часу);
• магнієвий анод (використовується для пом'якшення води у системі опалення і запобігання утворення накипу на стінках водонагрівача).
| Час нагріву води від початкової температури 15 ° C до 60 ° C, хв | 50 |
Креслення водонагрівача Титан 6 кВт 100 літрів:

А = 1330 мм;
В = 430 мм;
З = 355 мм;
D = 175 мм;
E =1180 мм;
F =160 мм;
g = 1/2 дюйма.
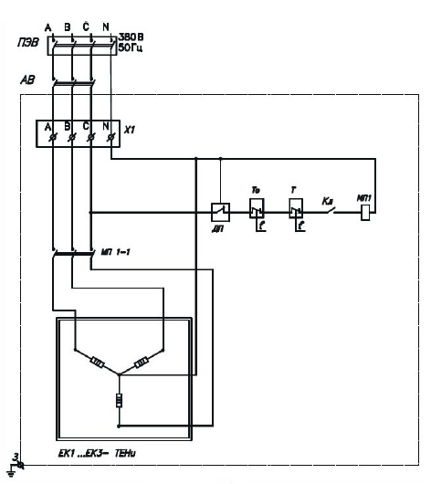
Електрична схема:

ПЗВ — пристрій захисного відключення;
АВ — автоматичний вимикач;
ПМ — пускач магнітний;
ДП — добовий програматор;
Т — терморегулятор;
То — термообмежувач;
Кл — клавішний вимикач.
| Основні | |
|---|---|
| Виробник | Титан |
| Країна виробник | Україна |
| Вид водонагрівача | Бойлер |
| Тип водонагрівача | Проточно-накопичувальний |
| Спосіб нагріву | Електричний |
| Потужність номінальна | 4.5 кВт |
| Продуктивність при ∆=50°С | 26 літр/хв |
| Час нагріву води до 50°С | 100 хв |
| Об'єм ємності для води | 100 л |
| Максимальна температура нагріву води | 75 град. |
| Робочий тиск | 6 бар |
| Спосіб установки | Підлоговий |
| Розташування | Вертикальне |
| Форма водонагрівача | Кубічний |
| Вид ТЕНа | Мокрий |
| Нагрівальний елемент | Теновий |
| Матеріал теплообмінника | Сталь |
| Внутрішнє покриття бака | Емаль |
| Напруга мережі | 380~400 В |
| Клас захисту корпусів електронного устаткування | IP20 |
| Вага | 60 кг |
| Гарантійний термін | 12 міс |
| Стан | Новий |
| Габаритні і приєднувальні розміри | |
| Висота | 1330 мм |
| Ширина | 355 мм |
| Глибина | 430 мм |
| Користувальницькі характеристики | |
| Підводка | ззаду-базове виконання, ліворуч-праворуч під замовлення |