7 788 ₴
6 853,44 ₴
Теплова гармата ТИТАН турбо 4 кВт 220 В - це універсальний пристрій для обігріву будь-яких приміщень. Переносні теплові гармати відмінно обігрівають малі неопалювані приміщення і створюють точковий вплив теплим повітрям. В малих приміщеннях житлових кімнатах, офісах, магазинах прилад може служити додатковим джерелом тепла. Теплові гармати зігрівають неопалювані приміщення, наприклад гараж. Теплові гармати призначена для роботи під наглядом.
Гармати мають два кожухи: зовнішній декоративний і внутрішній аеродинамічний, відбиває і фокусує інфрачервоне випромінювання ТЕНів, що дозволяє отримати більш спрямований потік нагрітого повітря і захистити персонал від термічних впливів.
Кабелем підключення до електричної мережі не комплектується!
В комплектацію входить:
Характеристики тепловой гармати Титан турбо 4 кВт 220 В:
| Потужність, кВт | Напруга, В |
Продуктивність повітрям, м.куб./ год |
А | В | С ø | Вага , кг |
| 4 | 220 | 500 | 400 | 390 |
230 |
6 |

1.Клавіші включення ступенів потужності;
2. Терморегулятор;
3. Клавіша включення вентилятора;
5.Корпус в якому змонтовані вентилятор і трубчасті електронагрівачі (ТЕНи);
7.Болт для підключення заземлення;
8.Діелектрична втулка для введення живильного кабелю;
9.Електрокоробка;
10.Захисна решітка.
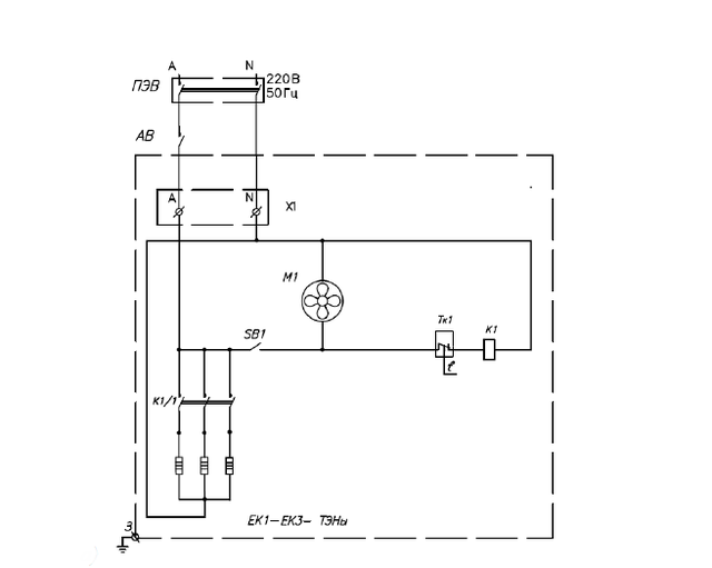
Електрична схема Теплової гармати Титан турбо 4 кВт 220 В:

| Основні | |
|---|---|
| Виробник | Титан |
| Гарантійний термін | 12 міс |
| Країна виробник | Україна |
| Тип | Електрична |
| Теплова потужність | 4 кВт |