


25 362 ₴
Теплова гармата ТИТАН преміум 22,5 кВт 380 В - універсальний пристрій для обігріву приміщень. Промислові теплові гармати використовують у цехах, майстернях, на складах та ангарах, для додаткового тимчасового або тривалого прогрівання торгових павільйонів тощо, а також для сушіння будівельних приміщень після проведення штукатурно-оздоблювальних робіт чи для технологічних цілей.
Підвищена продуктивність по повітрю. Потужність двигуна 180 Вт, сталева крильчатка з підвищеним кутом атаки. Два ступені регулювання потужності комутуються за схемою "дві зірки". Гармати мають два кожухи: зовнішній декоративний і внутрішній аеродинамічний, відбиває і фокусує інфрачервоне випромінювання ТЕНів, що дозволяє отримати більш спрямований потік нагрітого повітря.
Кабелем підключення до електричної мережі не комплектується!
В комплектацію входить:
Теплова гармата призначена для роботи під наглядом.
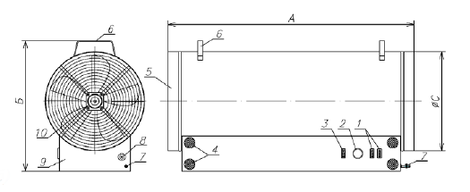
Характеристики теплової гармати Титан преміум 22,5 кВт:
| Потужність, кВт | Напруга, В |
Продуктивність по повітрю, м. куб./ год |
Складові ступенів потужності, кВт |
А | В | З ø | Вага , кг |
| 22,5 | 380 | 1500 | 7,5+15 | 900 | 475 |
335 |
20 |

1.Клавіші включення ступенів потужності;
2. Терморегулятор;
3. Клавіша включення вентилятора;
5.Корпус в якому змонтовані вентилятор і трубчасті електронагрівачі (ТЕНи);
7.Болт для підключення заземлення;
8.Діелектрична втулка для введення живильного кабелю;
9.Електрокоробка;
10.Захисна решітка.

| Основні | |
|---|---|
| Виробник | Титан |
| Гарантійний термін | 12 міс |
| Країна виробник | Україна |
| Тип | Електрична |
| Теплова потужність | 22.5 кВт |